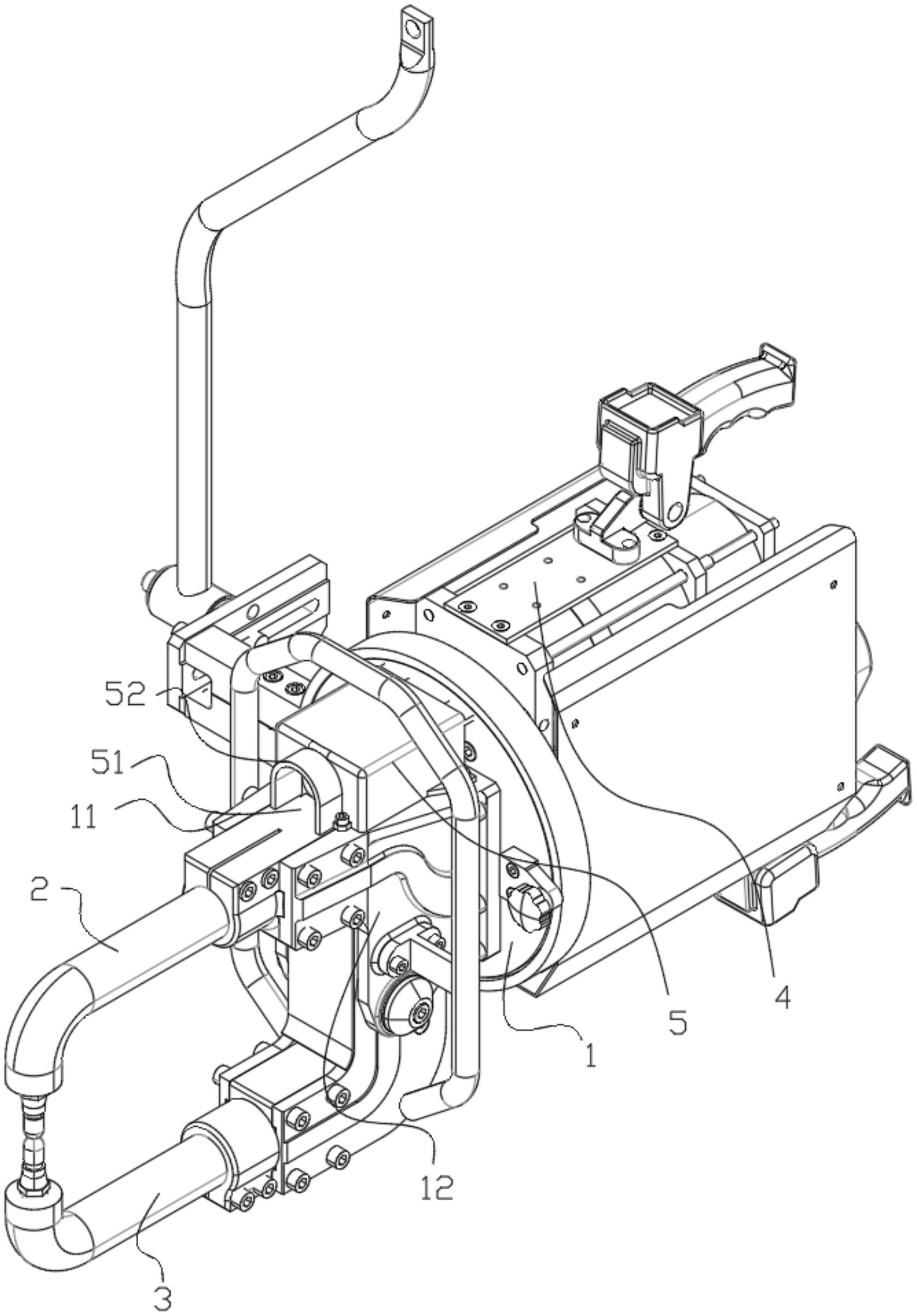
手持式点焊机结构如下图所示,

手持式点焊机可以分为电源、焊头、焊枪、电路板等部分。
1、电源:手持式点焊机的电����� �������Ƴ������������ �������Ƴ������������ �������Ƴ������������ �������Ƴ�������源主要是使用电容或变压器调节电压����� �������Ƴ������������ �������Ƴ������������ �������Ƴ����������� �������Ƴ�������,输出固定的稳定电压,将电能转化为热能����� �������Ƴ������������ �������Ƴ������������ �������Ƴ������������ �������Ƴ�������,提供焊接需要的热量。
2、焊头:焊����� �������Ƴ������ �������Ƴ����������� �������Ƴ������������ �������Ƴ������������ �������Ƴ������������头是手持式点焊����� �������Ƴ����������� �������Ƴ������������ �������Ƴ������������ �������Ƴ������机的核心部分,它将焊接电流传递到焊枪上����� �������Ƴ������������ �������Ƴ������������ �������Ƴ������������ �������Ƴ�������,可以用不同类型和大小的焊����� �������Ƴ������������ �������Ƴ������������ �������Ƴ������������ �������Ƴ�������头来满足不同的焊接工艺要求。
3、焊枪:焊枪主要用于连接焊接件和焊接工具,将焊����� �������Ƴ������������ �������Ƴ������������ �������Ƴ������������ �������Ƴ�������接电流传递到焊接部件上,焊接过程中,需����� �������Ƴ������������ �������Ƴ������������ �������Ƴ������������ �������Ƴ�������要操作者按住焊枪使其与焊接部件保持一定的距离。
4、电路板:电路板是控制手持式焊机的����� �������Ƴ������������ �������Ƴ������������ �������Ƴ������������ �������Ƴ�������重要部件,它将电源的信号����� ��������� �������Ƴ����������� �������Ƴ����������� �������Ƴ������������ �������Ƴ����������Ƴ�������传递到焊头上,根据操����� �������Ƴ������������ �������Ƴ������������ �������Ƴ������������ �������Ƴ������作者输入的控制信号,控制焊����� �������Ƴ������������ �������Ƴ������������ �������Ƴ������������ �������Ƴ�������头输出电流,控制焊接过程。����� �������Ƴ������������ �������Ƴ������������ �������Ƴ������������ �������Ƴ�������
手持式点焊机结构图就讲到����� �������Ƴ������������ �������Ƴ������������ �������Ƴ������������ �������Ƴ�������这里,了解更多电阻焊技术知识,行业资讯欢迎留����� �������Ƴ������������ �������Ƴ����������� �������Ƴ������������ �������Ƴ�������言。© 内容版权归www.shpxz����� �������Ƴ������������ �������Ƴ������������ �������Ƴ������������ �������Ƴ�������cgs.cn所有。未经许可,不得����� �������Ƴ������������ �������Ƴ������������ �������Ƴ������������ �������Ƴ�������转载。
����� �������Ƴ����� �������Ƴ������������ �������Ƴ����������� �������Ƴ������������ �������Ƴ��������������
全国服务热线

客服1