品牌
sunke商科
参数表
输入电压 | 三相380V,50/60HZ | 输出电压 | PWM 500V |
输出电流 | 600A / 800A | 输出频率 | 1000HZ / 1800HZ |
电流控制精度 | 3% | 冷却方式 | 空冷 / 水冷 |
漏电保护装置 | Bender / 空开集成漏电模块 | 压力切换装置 | 比例阀 / 电磁阀 |
电流控制方式 | PHA(恒相角)、KSR(恒电流)、KUR(恒电压)、SAIR(自适应) | 功能 | 焊接电流监控、电流递增、电极修磨更换、压力曲线
|
常用机型
中频点焊机,中频焊接机,中频缝焊机,中频逆变点焊机
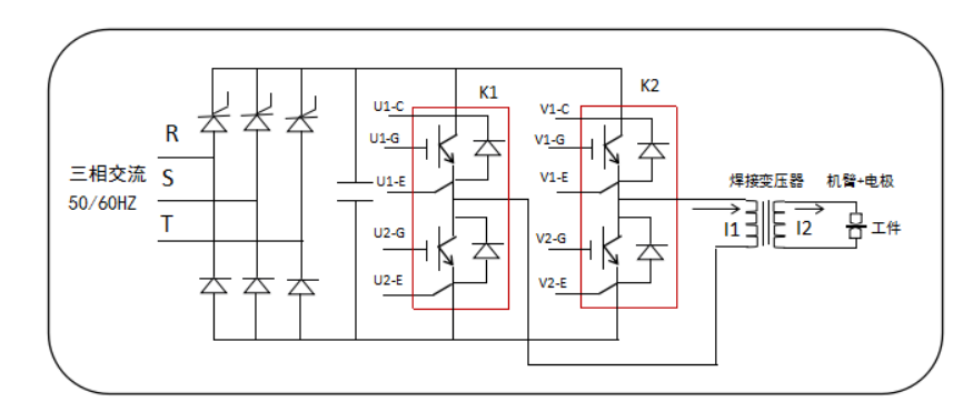
结构图

三相交流电源输入,用电平衡;功率因数高����� �������Ƴ������������ �������Ƴ������������ �������Ƴ����������� �������Ƴ�������;
对相同的焊接工件,焊接时间缩短,省电;焊接稳����� �������Ƴ������������ �������Ƴ������������ �������Ƴ������������ �������Ƴ�������定区加大;电极寿命增长;
铝、镀锌板、高张力钢、不锈钢、镁合金、碳钢����� �������Ƴ������������ �������Ƴ������������ �������Ƴ����������� �������Ƴ������、钛各种材质均可焊接,焊接����� �������Ƴ������������ �������Ƴ������������ �������Ƴ������������ �������Ƴ�������结果良好;
尤其适合于三层板焊接、非常薄的材料的焊接以及精密����� �������Ƴ������������ �������Ƴ������������ �������Ƴ������������ �������Ƴ�������焊接的要求;
少飞溅;
对电流的快速响应控制提高了焊点的质����� �������Ƴ����������� �������Ƴ������������ �������Ƴ������������ �������Ƴ�������量。
中频点焊机控制器优点
&nb����� �������Ƴ������������ �������Ƴ������������ �������Ƴ������������ �������Ƴ�������sp;中频点焊机控制器根据工件工艺要求,����� �������Ƴ������������ �������Ƴ������������ �������Ƴ������������ �������Ƴ�������研发了一套专用焊接系统,对每一个焊接过程都����� �������Ƴ������������ �������Ƴ������������ �������Ƴ������������ �������Ƴ�������有微电脑控制,可做到一键焊接,����� �������Ƴ������������ �������Ƴ������������ �������Ƴ������������ �������Ƴ�������且参数不会受自身因素影响,速度快且稳����� �������Ƴ����������� �������Ƴ������������ �������Ƴ������������ �������Ƴ�������定性高,效率比原来提高了200%;
&����� �������Ƴ������������ �������Ƴ������������ �������Ƴ������������ �������Ƴ�������nbsp; 如����� �������Ƴ������������ �������Ƴ����������� �������Ƴ������������ �������Ƴ�������需焊不同产品规格时,可以一键切换程序,任意����� �������Ƴ������������ �������Ƴ������������ �������Ƴ������������ �������Ƴ�������调用,方便快捷,解决了机械式凸轮控制不����� �������Ƴ����������� �������Ƴ����������� �������Ƴ������������ �������Ƴ�������好调节不精准的问题;
&nb����� �������Ƴ������������ �������Ƴ������������ �������Ƴ������������ �������Ƴ�������sp;中频点焊机控制器全����� �������Ƴ������������ �������Ƴ������������ �������Ƴ����������� �������Ƴ�������部程序控制,操作人员只需培训半天就能迅速上手操作����� �������Ƴ������������ �������Ƴ������������ �������Ƴ������������ �������Ƴ�������,简单快捷;
&nbs����� �������Ƴ������������ �������Ƴ������������ �������Ƴ������������ �������Ƴ�������p; 每个关键参数都设有监控����� �������Ƴ������������ �������Ƴ������������ �������Ƴ����������� �������Ƴ�������器,可在线监控每个焊接工����� �������Ƴ������������ �������Ƴ����������� �������Ƴ����������� �������Ƴ�������件的焊接数据,如出现不良会自动异常报警,保证不良����� �������Ƴ������������ �������Ƴ������������ �������Ƴ������������ �������Ƴ�������产品不流入客户端,保证焊接品质,减少不必要的赔偿����� �������Ƴ������������ �������Ƴ����������� �������Ƴ������������ �������Ƴ�������损失;
&nbs����� �������Ƴ������������ �������Ƴ����������� �������Ƴ����������� �������Ƴ�������p; 骏腾发是一家集科研、����� �������Ƴ������������ �������Ƴ������������ �������Ƴ������������ �������Ƴ�������开发、制造、销售于一体的电阻焊机自动化焊接装备高新技术企业。����� �������Ƴ������������ �������Ƴ����������� �������Ƴ����������� �������Ƴ������中频点焊机控制器厂家经过多年不懈努力,公����� �������Ƴ����������� �������Ƴ������������ �������Ƴ����������� �������Ƴ�������司拥有众多的尖端焊接技术产品,分别有:中频点焊机、中频点焊机控制器,数控电阻焊,激光焊����� �������Ƴ����������� �������Ƴ������������ �������Ƴ������������ �������Ƴ�������装备。
采购流程说明
采购中频点焊机控制器,获取更多更多中频点焊机控制器价格/中频点����� �������Ƴ������������ �������Ƴ������������ �������Ƴ������������ �������Ƴ�������焊机控制器交货时间/中频点焊����� �������Ƴ������������ �������Ƴ����������� �������Ƴ����������� �������Ƴ�������机控制器售后服务细节,欢迎来电咨询����� �������Ƴ������������ �������Ƴ������������ �������Ƴ������������ �������Ƴ�������点焊机厂家业务经理。
中频点焊机控制器价格为14990元到数十����� �������Ƴ������������ �������Ƴ����������� �������Ƴ������������ �������Ƴ�������万元不等,中频点焊机控制器成交价格根据����� �������Ƴ������������ �������Ƴ������������ �������Ƴ����������� �������Ƴ������企业不同工件进行定制化设计,采购机型数量决定����� �������Ƴ������������ �������Ƴ������������ �������Ƴ������������ �������Ƴ������。